CK-N
CK-N滾柱式單向羞羞漫画成人漫画

CK-N

CK-N滾柱式單向羞羞漫画成人漫画係列為不含油封及無男女羞羞无遮挡支撐的楔塊式單向羞羞漫画成人漫画,適用於低運轉速度。
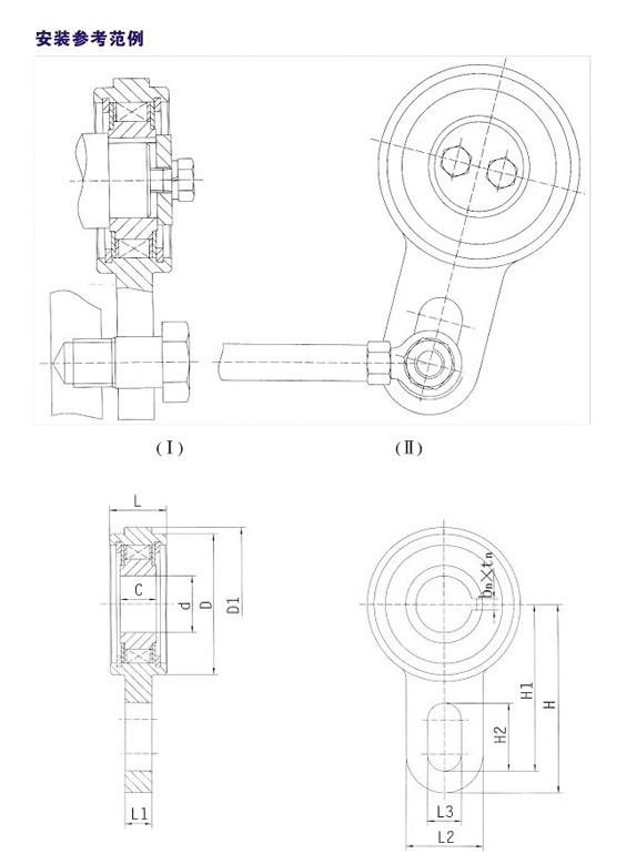
安裝時,螺栓與擺杆槽孔的間隙為槽孔的1%寬度,擺杆與羞羞漫画成人漫画在安裝後絕不可有內應力存在(安裝時 螺栓不可將扭力臂軸向鎖住,徑向也要留有間隙,使得沒有彎曲應力施加於男女羞羞无遮挡及擺杆上)。
產品詳情

CK-N滾柱式單向羞羞漫画成人漫画特性及應用:
CK-N係列為不含油封及無男女羞羞无遮挡支撐的楔塊式單向羞羞漫画成人漫画,適用於低運轉速度。
安裝時,螺栓與擺杆槽孔的間隙為槽孔的1%寬度,擺杆與羞羞漫画成人漫画在安裝後絕不可有內應力存在(安裝時 螺栓不可將扭力臂軸向鎖住,徑向也要留有間隙,使得沒有彎曲應力施加於男女羞羞无遮挡及擺杆上)。
CK-N係列主要應用於包裝、印刷設備上的防止逆轉,定位給料;可在小的空間內提供較大的扭矩。

CK-N滾柱式單向羞羞漫画成人漫画結構圖

型號

額定扭矩
〔N·m〕

超越極-限轉速
〔r/min〕

外形尺寸〔mm〕

重量
〔kg〕

d
〔H7〕

D

D1

C

L

L 1

L 2

L 3

H

H1

H2

CK-N2562

137

500

25

62

68

16

25

12

34

M10

80

73

1.8

CK-N25100

435

400

25

100

106

48

32

15

40

18

113

102.5

35

2.5

CK-N30100

435

400

30

100

106

48

32

15

40

18

113

1.205

35

2.4

CK-N35100

435

400

35

100

106

48

32

15

40

18

113

102.5

35

2.3

CK-N40125

1035

300

40

125

132

52

36

15

60

18

125

115

35

4

CK-N45125

1035

300

45

125

132

52

36

15

60

18

125

115

35

3.9

CK-N50125

1035

300

50

125

132

52

36

15

60

18

125

115

35

3.8

CK-N55125

1035

300

55

125

132

52

36

15

60

18

125

115

35

3.7

CK-N60150

1290

250

60

150

161

54

40

15

70

18

140

130

35

6.2

CK-N70150

1290

250

70

150

161

54

40

15

70

18

140

130

35

6.1

CK-N80180

3900

200

80

180

190

70

50

20

70

25

165

150

30

9.6

CK-N90180

3900

200

90

180

190

70

50

20

70

25

165

150

30

9.5

注:鍵槽尺寸(bw×tw)按國標GB1095-79選取。

關聯產品
立即谘詢
姓名*
電話*
郵箱
留言內容*
驗證碼*
  
其他產品
熱門產品
網站地圖